Mitsubishi Outlander 2006 Wiring Diagram Espa Ol

Get Mitsubishi Outlander 2006 Wiring Diagram Espa Ol Images. Circuit diagrams, feb 2003, eng., pdf, 146 mb. We are a sharing community.

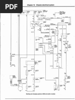
2008 Can Am Outlander 500 Wiring Diagram - Wiring Diagram
2008 Can Am Outlander 500 Wiring Diagram - Wiring Diagram from static-resources.imageservice.cloud
Mitsubishi outlander, mitsubishi outlander iii, mitsubishi outlander sport, mitsubishi outlander rvr, mitsubishi outlander xl 2007 workshop manual pdf service, workshop and repair manuals, wiring diagrams, spare parts catalogue, fault codes free download! • there are no rca connectors anywhere in the car • lcd gives no aux icon, but mode button on the steering. My 2006 outlander was imported into new zealand in 2015.

Here's what i have found out/my progress.

Mitsubishi fuso truck & bus corporation (fuso) has been producing buses and trucks since the late 1920s. Fuse box diagrams (location and assignment of electrical fuses) mitsubishi outlander (cu/ze/zf; Mitsubishi motors' top quality engineering and manufacturing operations make your vehicle one of the best built in the industry. Page 409 all the parts of the brake system are critical to safety.


0 Response to "Mitsubishi Outlander 2006 Wiring Diagram Espa Ol"

Post a Comment

Iklan Atas Artikel

Iklan Tengah Artikel 1

Iklan Tengah Artikel 2

Iklan Bawah Artikel